您好,欢迎光临国际米兰app下载安装!

咨询服务热线

0379-63086299

ZKLF推力角接触球轴承

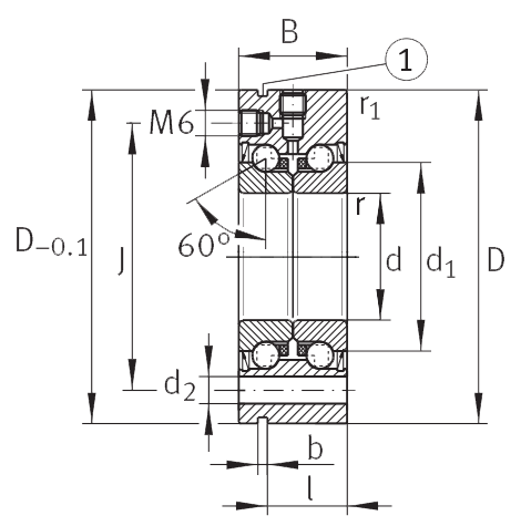
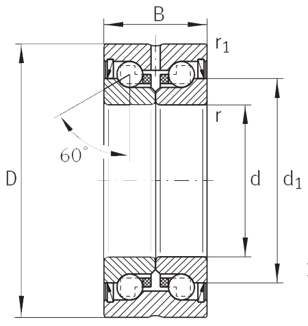
  • 推力角接触球轴承是用于丝杠驱动轴承布置的精密轴承,根据不同系列,他们可以承受径向力以及一个或两个方向的轴向力。接触式密封可以使滚动体免受污染物和水分的侵害。对于较高转速,可采用最小间隙密封。这种轴承有外圈带安装孔和外圈不带安装孔两种类型,带安装孔的轴承通过螺栓直接安装在相邻结构上,由于没有定位孔德要求或者不需要加工轴承相匹配的轴承端盖,这种解决方案特别经济。对于某些应用领域,较低精度的轴承布置通常...
立即咨询
全国热线0379-63086299

详情介绍

推力角接触球轴承是用于丝杠驱动轴承布置的精密轴承,根据不同系列,他们可以承受径向力以及一个或两个方向的轴向力。接触式密封可以使滚动体免受污染物和水分的侵害。对于较高转速,可采用最小间隙密封。

这种轴承有外圈带安装孔和外圈不带安装孔两种类型,带安装孔的轴承通过螺栓直接安装在相邻结构上,由于没有定位孔德要求或者不需要加工轴承相匹配的轴承端盖,这种解决方案特别经济。

对于某些应用领域,较低精度的轴承布置通常就足够了,因此我们也提供较大公差的轴承。

ZKLF推力角接触球轴承

1.png

2.png

参数1.png

参数2.png

推荐产品


Copyright © 2005-2025 国际米兰app下载安装 版权所有 备案号:豫ICP备10000262号

豫公网安备 41032202000136号

扫一扫咨询微信客服
0379-63086299
  • 微信号:18837917076微信二维码

Baidu
map