您好,欢迎光临国际米兰app下载安装!

咨询服务热线

0379-63086299

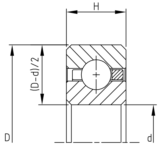
英制等截面薄壁深沟球轴承

  • 英制等截面薄壁深沟球轴承 C型深沟球轴承是内外圈带有超深沟(滚道沟槽深度=球直径的25%)的单列深沟球轴承。...
立即咨询
全国热线0379-63086299

详情介绍

英制等截面薄壁深沟球轴承
      C型深沟球轴承是内外圈带有超深沟(滚道沟槽深度=球直径的25%)的单列深沟球轴承。

英制深沟球轴承.png

1.png

2.png

3.png

4.png

5.png

推荐产品


Copyright © 2005-2025 国际米兰app下载安装 版权所有 备案号:豫ICP备10000262号

豫公网安备 41032202000136号

扫一扫咨询微信客服
0379-63086299
  • 微信号:18837917076微信二维码

Baidu
map